官方微信
官方微博
村田推出MHR_SA高压电阻器
来源:电子元件技术  浏览次数:385  发布时间:2019-07-02

Murata Power Solutions MHR_SA高压电阻器可单独使用或用作模制器件,有厚膜和径向端接类型可供选择。这些通孔电阻器的额定电压高达20kV,额定功率范围为400mW至2.5W。Murata MHR_SA高压电阻器具有10MΩ至1GΩ电阻,工作温度范围为-40°C至+165°C。
 
特点:
单独使用或用作模制器件
厚膜
额定电压:高达20kV
额定功率:400mW至2.5W
电阻:10MΩ至1GΩ
通孔
径向端接类型
工作温度范围:-40°C至+165°C
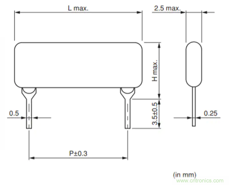
尺寸:

                              67d02619655fdbe559e8b2c7e5ef378a_1_02182639ft2b.png

Baidu
map